一氧化碳傳感器又稱一氧化碳氣體傳感器,一氧化碳傳感器主要用于檢測環境中一氧化碳濃度,可集成于工業、民用及環保領域的監測報警系統中,應用場景包括礦山安全監控、家庭燃氣設備、地下停車場尾氣檢測及火災預警等。在礦山環境中,一氧化碳傳感器可以實時監測礦井內的一氧化碳濃度,預防火災和中毒事故的發生。在家庭燃氣設備中,一氧化碳傳感器可以檢測燃氣泄漏,保障家庭安全。
一、一氧化碳傳感器技術參數
|
型號 |
測量參數 |
測量范圍 |
精度 |
分辨率 |
單位 |
工作溫度 |
工作濕度 |
|
QT1 |
一氧化碳 |
0-1000PPM |
±2PPM |
1PPM |
PPM |
-20℃-+50℃ |
10-95%RH無冷凝 |
|
QT1S |
0-20PPM |
≤±5% |
0.01PPM |
PPM |
-20℃-+50℃ |
10-95%RH無冷凝 |
|
|
QT2 |
二氧化硫 |
0-20PPM |
±1PPM |
0.1PPM |
PPM |
-20℃-+50℃ |
10-95%RH無冷凝 |
|
QT2S |
0-1PPM |
≤±5% |
0.001ppm |
PPM |
-20℃-+50℃ |
10-95%RH無冷凝 |
|
|
QT3 |
二氧化氮 |
0-20PPM |
±1PPM |
0.1PPM |
PPM |
-20℃-+50℃ |
10-95%RH無冷凝 |
|
QT3S |
0-1PPM |
≤±5% |
0.001ppm |
PPM |
-20℃-+50℃ |
10-95%RH無冷凝 |
|
|
QT4 |
臭氧 |
0-20PPM |
±1PPM |
0.1PPM |
PPM |
-20℃-+50℃ |
10-95%RH無冷凝 |
|
QT4S |
0-1PPM |
≤±5% |
0.001ppm |
PPM |
-20℃-+50℃ |
10-95%RH無冷凝 |
|
|
QT5 |
氧含量 |
0~30%VOL |
±3%FS |
0.1%VOL |
VOL |
-20℃-+50℃ |
5-95%RH 無冷凝 |
|
QT6 |
負氧離子 |
0~10萬 個/cm3 |
±10% |
10個/cm3 |
個/cm3 |
+10℃-+70℃ |
10-70%RH無冷凝 |
|
QT7 |
硫化氫 |
0-100PPM |
±2PPM |
1PPM |
PPM |
-20℃-+50℃ |
10-95%RH無冷凝 |
|
QT8 |
甲烷 |
0-100%LEL |
≤±3% |
1%LEL |
LEL |
-20℃-+50℃ |
10-95%RH無冷凝 |
|
QT9 |
TVOC |
0-100PPM |
55±15 nA/ppm |
1PPM |
PPM |
-20℃-+50℃ |
10-95%RH無冷凝 |
|
QT10 |
氨氣 |
0-100PPM |
±4PPM |
1PPM |
PPM |
-20℃-+50℃ |
10-95%RH無冷凝 |
|
QT11 |
一氧化氮 |
0-250PPM |
-2~10PPM |
1PPM |
PPM |
-20℃-+50℃ |
10-95%RH無冷凝 |
|
QT12 |
甲醛 |
0-10PPM |
<1PPM |
0.1PPM |
PPM |
-20℃-+50℃ |
10-95%RH無冷凝 |
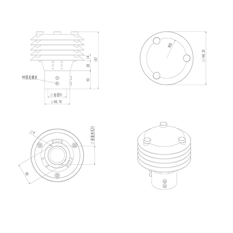
二、一氧化碳傳感器產品尺寸圖


魯公網安備37079402370804